Nouveau produit
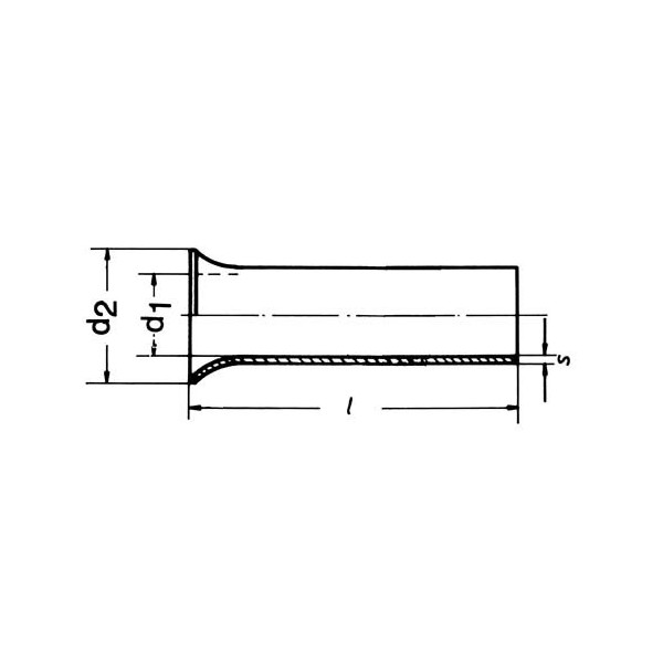
Éxécution selon DIN 46228 partie 1 matière : cuivre électrolytique EN13600 surface étamée par électrolyse (V) ou argentée
Ce produit n'est plus en stock
Date de disponibilité:
| Référence | Section mm² | Dimension mm | ||||
| Étamé | Argenté | d1 | d2 | l | s | |
| 69/5V | 69/5 | 0,25 | 0,75 | 1,7 | 5 | 0,15 |
| 69/7V | 69/7 | 0,75 | 1,7 | 7 | 0,15 | |
| 70/5V | 70/5 | 0,34 | 0,85 | 1,8 | 5 | 0,15 |
| 70/7V | 70/7 | 0,85 | 1,8 | 7 | 0,15 | |
| 71S/6V | 71S/6 | 0,50 | 1,00 | 2,1 | 6 | 0,15 |
| 71S/8V | 71S/8 | 1,00 | 2,1 | 8 | 0,15 | |
| 71S/10V | 71S/10 | 1,00 | 2,1 | 10 | 0,15 | |
| 71/6V | 71/6 | 0,75 | 1,20 | 2,3 | 6 | 0,15 |
| 71/8V | 71/8 | 1,20 | 2,3 | 8 | 0,15 | |
| 71/10V | 71/10 | 1,20 | 2,3 | 10 | 0,15 | |
| 71/12V | 71/12 | 1,20 | 2,3 | 12 | 0,15 | |
| 71/15V | 71/15 | 1,20 | 2,3 | 15 | 0,15 | |
| 72S/6V | 72S/6 | 1 | 1,40 | 2,5 | 6 | 0,15 |
| 72S/8V | 72S/8 | 1,40 | 2,5 | 8 | 0,15 | |
| 72S/10V | 72S/10 | 1,40 | 2,5 | 10 | 0,15 | |
| 72S/12V | 72S/12 | 1,40 | 2,5 | 12 | 0,15 | |
| 72S/15V | 72S/15 | 1,40 | 2,5 | 15 | 0,15 | |
| 72/6V | 72/6 | 1,5 | 1,70 | 2,8 | 6 | 0,15 |
| 72/7V | 72/7 | 1,70 | 2,8 | 7 | 0,15 | |
| 72/8V | 72/8 | 1,70 | 2,8 | 8 | 0,15 | |
| 72/10V | 72/10 | 1,70 | 2,8 | 10 | 0,15 | |
| 72/12V | 72/12 | 1,70 | 2,8 | 12 | 0,15 | |
| 72/15V | 72/15 | 1,70 | 2,8 | 15 | 0,15 | |
| 72/18V | 72/18 | 1,70 | 2,8 | 18 | 0,15 | |
| 72/20V | 72/20 | 1,70 | 2,8 | 20 | 0,15 | |
| 73/7V | 73/7 | 2,5 | 2,20 | 3,4 | 7 | 0,15 |
| 73/8V | 73/8 | 2,20 | 3,4 | 8 | 0,15 | |
| 73/10V | 73/10 | 2,20 | 3,4 | 10 | 0,15 | |
| 73/12V | 73/12 | 2,20 | 3,4 | 12 | 0,15 | |
| 73/15V | 73/15 | 2,20 | 3,4 | 15 | 0,15 | |
| 73/18V | 73/18 | 2,20 | 3,4 | 18 | 0,15 | |
| 73/20V | 73/20 | 2,20 | 3,4 | 20 | 0,15 | |
| 74/8V | 74/8 | 4 | 2,80 | 4,0 | 8 | 0,20 |
| 74/9V | 74/9 | 2,80 | 4,0 | 9 | 0,20 | |
| 74/10V | 74/10 | 2,80 | 4,0 | 10 | 0,20 | |
| 74/12V | 74/12 | 2,80 | 4,0 | 12 | 0,20 | |
| 74/15V | 74/15 | 2,80 | 4,0 | 15 | 0,20 | |
| 74/18V | 74/18 | 2,80 | 4,0 | 18 | 0,20 | |
| 74/20V | 74/20 | 2,80 | 4,0 | 20 | 0,20 | |
| 75/10V | 75/10 | 6 | 3,50 | 4,7 | 10 | 0,20 |
| 75/12V | 75/12 | 3,50 | 4,7 | 12 | 0,20 | |
| 75/15V | 75/15 | 3,50 | 4,7 | 15 | 0,20 | |
| 75/18V | 75/18 | 3,50 | 4,7 | 18 | 0,20 | |
| 75/20V | 75/20 | 3,50 | 4,7 | 20 | 0,20 | |
| 75/25V | 75/25 | 3,50 | 4,7 | 25 | 0,20 | |
| 76/10V | 76/10 | 10 | 4,5 | 5,8 | 10 | 0,20 |
| 76/12V | 76/12 | 4,5 | 5,8 | 12 | 0,20 | |
| 76/15V | 76/15 | 4,5 | 5,8 | 15 | 0,20 | |
| 76/18V | 76/18 | 4,5 | 5,8 | 18 | 0,20 | |
| 76/20V | 76/20 | 4,5 | 5,8 | 20 | 0,20 | |
| 76/25V | 76/25 | 4,5 | 5,8 | 25 | 0,20 | |
| 77/12V | 77/12 | 16 | 5,8 | 7,5 | 12 | 0,20 |
| 77/15V | 77/15 | 5,8 | 7,5 | 15 | 0,20 | |
| 77/18V | 77/18 | 5,8 | 7,5 | 18 | 0,20 | |
| 77/20V | 77/20 | 5,8 | 7,5 | 20 | 0,20 | |
| 77/25V | 77/25 | 5,8 | 7,5 | 25 | 0,20 | |
| 77/32V | 77/32 | 5,8 | 7,5 | 32 | 0,20 | |
| 78/12V | 78/12 | 25 | 7,3 | 9,5 | 12 | 0,30 |
| 78/15V | 78/15 | 7,3 | 9,5 | 15 | 0,30 | |
| 78/18V | 78/18 | 7,3 | 9,5 | 18 | 0,30 | |
| 78/20V | 78/20 | 7,3 | 9,5 | 20 | 0,30 | |
| 78/25V | 78/25 | 7,3 | 9,5 | 25 | 0,30 | |
| 78/28V | 78/28 | 7,3 | 9,5 | 28 | 0,30 | |
| 78/32V | 78/32 | 7,3 | 9,5 | 32 | 0,30 | |
| 79/12V | 79/12 | 35 | 8,3 | 11,0 | 12 | 0,30 |
| 79/15V | 79/15 | 8,3 | 11,0 | 15 | 0,30 | |
| 79/18V | 79/18 | 8,3 | 11,0 | 18 | 0,30 | |
| 79/20V | 79/20 | 8,3 | 11,0 | 20 | 0,30 | |
| 79/22V | 79/22 | 8,3 | 11,0 | 22 | 0,30 | |
| 79/25V | 79/25 | 8,3 | 11,0 | 25 | 0,30 | |
| 79/30V | 79/30 | 8,3 | 11,0 | 30 | 0,30 | |
| 79/32V | 79/32 | 8,3 | 11,0 | 32 | 0,30 | |
| 80/18V | 80/18 | 50 | 10,50 | 13,0 | 18 | 0,30 |
| 80/22V | 80/22 | 10,50 | 13,0 | 22 | 0,30 | |
| 80/25V | 80/25 | 10,50 | 13,0 | 25 | 0,30 | |
| 80/30V | 80/30 | 10,50 | 13,0 | 30 | 0,30 | |
| 80/32V | 80/32 | 10,50 | 13,0 | 32 | 0,30 | |
| 81/22V | 81/22 | 70 | 12,7 | 15,0 | 22 | 0,40 |
| 81/25V | 81/25 | 12,7 | 15,0 | 25 | 0,40 | |
| 81/30V | 81/30 | 12,7 | 15,0 | 30 | 0,40 | |
| 81/32V | 81/32 | 12,7 | 15,0 | 32 | 0,40 | |
| 82/25V | 82/25 | 95 | 14,7 | 17,0 | 25 | 0,40 |
| 82/30V | 82/30 | 14,7 | 17,0 | 30 | 0,40 | |
| 82/32V | 82/32 | 14,7 | 17,0 | 32 | 0,40 | |
| 82/34V | 82/34 | 14,7 | 17,0 | 34 | 0,40 | |
| 83/30V | 83/30 | 120 | 16,7 | 19,0 | 30 | 0,50 |
| 83/32V | 83/32 | 16,7 | 19,0 | 32 | 0,50 | |
| 83/34V | 83/34 | 16,7 | 19,0 | 34 | 0,50 | |
| 83/38V | 83/38 | 16,7 | 19,0 | 38 | 0,50 | |
| 83/40V | 83/40 | 16,7 | 19,0 | 40 | 0,50 | |
| 84/32V | 84/32 | 150 | 18,7 | 21,0 | 32 | 0,50 |
| 84/34V | 84/34 | 18,7 | 21,0 | 34 | 0,50 | |
| 84/38V | 84/38 | 18,7 | 21,0 | 38 | 0,50 | |
| 84/40V | 84/40 | 18,7 | 21,0 | 40 | 0,50 | |
| 85/32V | 85/32 | 185 | 20,20 | 23,5 | 32 | 0,60 |
| 85/40V | 85/40 | 20,20 | 23,5 | 40 | 0,60 | |
| 86/34V | 86/34 | 240 | 23,0 | 24,0 | 34 | 0,50 |
| 86/40V | 86/40 | 23,0 | 24,0 | 40 | 0,50 | |
DOCUMENTATIONS PDF